超重力脱氨设备 (KLAN4000L/H)
详细信息
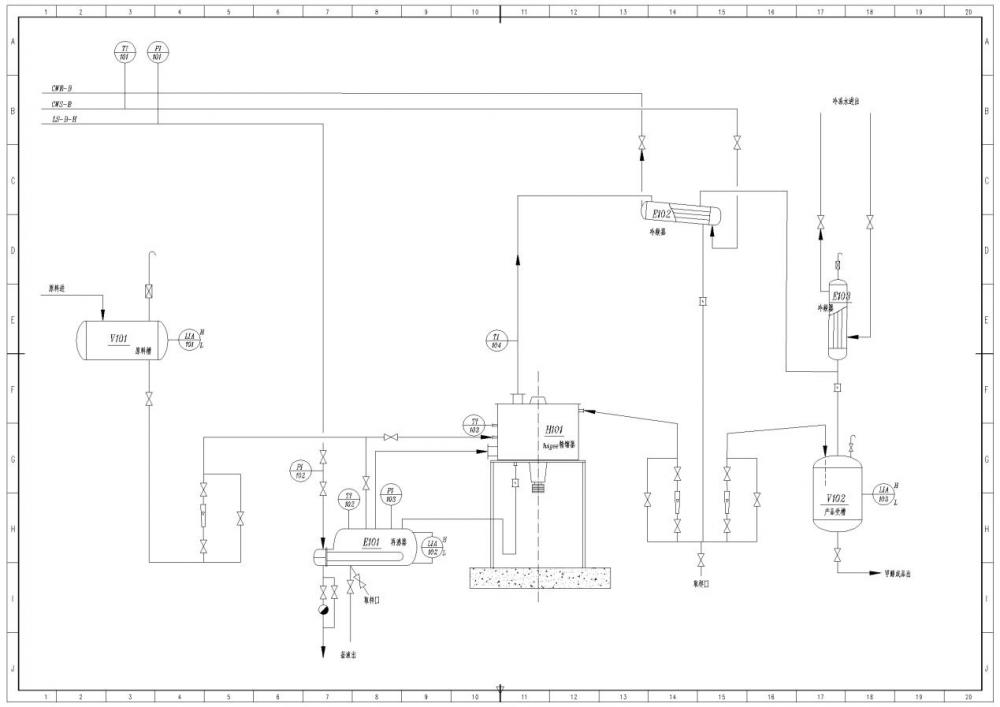
超重力脱氨设备利用一种新型高效脱氨技术,将常规脱氨工艺所需的精馏和吸收两种单元操作,集成在一台超重力脱氨设备中完成。该技术由浙江工业大学发明,与杭州科力化工设备有限公司共同研制,与传统设备相比,在大幅节省占地面积和空间的同时,还可大幅节约设备建设所用的钢材。
(1)性能好、效率高、能耗低;
(2)高度低、体积小,投资省;
(3)产品氨含量大于20%wt;
(4)废水氨含量小于15mg/L;
(5)尾气检测不到氨;
(6)操作简单,管理成本低。
(7)废氨水单机处理能力可达9吨/时。
广泛应用于乙醇、甲醇、丙酮、乙酸乙酯、乙腈、四氢呋喃、二氯甲烷、DMF、DMSO、甲苯、异丙醇、叔丁醇等有机溶剂的回收及产品分离提纯,在原料药、医药中间体、精细化工、生物柴油、环保、制酒等行业已产业化应用1600余套。
|
原料参数 |
50%甲醇和水 |
50%乙醇和水 |
50%丙酮和水 |
|
产品纯度 |
≥99.5% |
≥95° |
≥98% |
|
废液中含量 |
≤0.5% |
≤0.5% |
≤0.5% |
|
zuì小型号处理量 |
400 kg/h |
200 kg/h |
450 kg/h |
|
zuì大型号处理量 |
1300 kg/h |
800 kg/h |
1500 kg/h |
|
根据物料信息设计详细方案,量身定做,节能降耗 |
|||
|
序号 |
设备名称 |
数量 |
|
序号 |
设备名称 |
数量 |
|
1 |
超重力床 |
1台 |
6 |
流量计 |
3支 |
|
|
2 |
加热釜(再沸器) |
1台 |
7 |
压力表 |
2个 |
|
|
3 |
主冷凝器 |
1台 |
8 |
电控系统 |
1套 |
|
|
4 |
尾冷凝器 |
1台 |
9 |
自控系统(可选) |
1套 |
|
|
5 |
温度计 |
3个 |
10 |
储罐 |
若干 |
|
|
需方可选择购买单机、或上述部分/全部设备、或成套撬装装置。 |
||||||
|
名 称 |
参 数 |
||
|
设备规格 |
根据需求设计 |
||
|
转子直径 |
650-1100mm |
转子层数 |
2-4 |
|
设计转速 |
900-1100rpm |
传动方式 |
皮带传动或电机直连 |
|
工作压力 |
常压或负压 |
工作温度 |
<200℃ |
|
材质 |
与物料接触材质可选用304不锈钢、316L不锈钢、钛材 |
||
|
电机功率 |
5.5Kw-75Kw,防护等级:IP54,防爆等级:dIIBT4 |
||
|
单机设备外形,重量 |
zuì小:长1300mm×宽800 mm×高2100mm,1200kg zuì大:长2000mm×宽1250mm×高2550mm,3800kg |
||
|
首台设备工业化时间 |
2004年7月,还在正常使用 |
||
|
至2021年底工业化数量 |
1600余台,用户近500家 |
||
